Van TPC DWS25-1C-10 được thiết kế nhỏ gọn, tiêu thụ điện năng thấp và có khả năng hoạt động ở nhiệt độ cao lên đến 180°C. Với vật liệu đồng thân thiện môi trường, sản phẩm đáp ứng tốt các yêu cầu trong các ứng dụng công nghiệp liên quan đến hơi nước nóng.
Thông số kỹ thuật về van TPC DWS25-1C-10
- Mã sản phẩm: DWS25-1C-10
- Hãng sản xuất: TPC, xuất xứ Hàn Quốc
- Loại van: 2/2, thường đóng (N.C)
- Vật liệu thân van: đồng
- Kết nối: ren trong
- Áp lực làm việc tối đa: 10 bar
- Điện áp: AC 100V, có bảo vệ dây
- Cách điện cuộn dây: Class H (180°C)
- Kích thước: 1″ (DN25 – 25A)
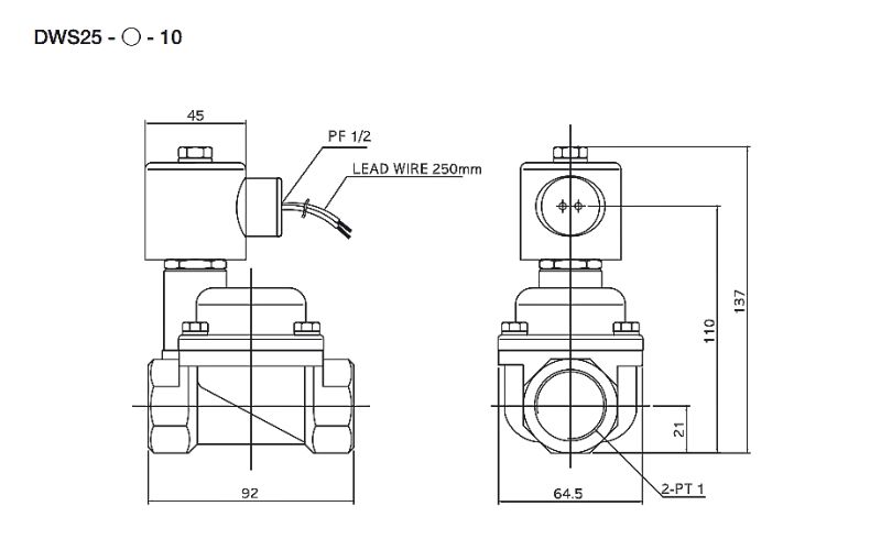
Cấu tạo và kích thước của van hơi nước nóng TPC DWS25-1C-10



Ưu điểm của van hơi nước nóng TPC DWS25-1C-10
- Thiết kế nhỏ gọn: Van có kích thước nhỏ, dễ dàng lắp đặt trong không gian hạn chế, giúp tiết kiệm diện tích.
- Tiêu thụ điện năng thấp: Với công suất tiêu thụ chỉ 14W, van giúp tiết kiệm năng lượng trong quá trình sử dụng.
- Thời gian phản ứng nhanh: Van có khả năng phản ứng nhanh chóng, đảm bảo quá trình điều khiển dòng chảy diễn ra hiệu quả và liên tục.
- Chất liệu bền bỉ: Thân van được làm từ đồng thau, đảm bảo độ bền và khả năng chịu nhiệt tốt, có thể hoạt động ở nhiệt độ tối đa lên đến 180°C.
- Đạt tiêu chuẩn chất lượng: Sản phẩm được sản xuất theo tiêu chuẩn chất lượng cao, giúp đảm bảo hiệu suất và độ tin cậy trong các ứng dụng công nghiệp.
- Thương hiệu uy tín: Van đến từ thương hiệu TPC nổi tiếng của Hàn Quốc, được nhiều công ty và nhà máy tin tưởng sử dụng.
Van hơi nước nóng TPC DWS25-1C-10 có ứng dụng rộng rãi trong các ngành công nghiệp không
- Ngành công nghiệp sản xuất bao bì: Được sử dụng để kiểm soát dòng hơi nước trong quy trình sản xuất bao bì, giúp nâng cao hiệu quả và chất lượng sản phẩm.
- Máy móc đặc biệt và máy công cụ: Tích hợp vào các thiết bị cần điều khiển dòng hơi nước để hoạt động hiệu quả.
- Hệ thống sưởi ấm và điều hòa không khí (HVAC): Sử dụng trong các hệ thống HVAC để điều chỉnh lưu lượng hơi nước, đảm bảo nhiệt độ và độ ẩm phù hợp.
- Các ứng dụng công nghiệp khác: Van cũng có thể được sử dụng trong các hệ thống tự động hóa và điều khiển dòng chảy liên quan đến hơi nước, khí và dầu.
Van hơi nước nóng TPC DWS25-1C-10 có khả năng sử dụng cho máy móc đặc biệt không
Dựa trên kinhg nghiệm và tìm van hơi nước nóng TPC DWS25-1C-10 có thể sử dụng cho máy móc đặc biệt và máy công cụ:
- Van DWS25-1C-10 được sử dụng rộng rãi trong các ngành công nghiệp, bao gồm cả việc tích hợp vào máy móc đặc biệt để điều khiển dòng hơi nước.
- Với thiết kế nhỏ gọn, tiêu thụ điện năng thấp và khả năng chịu nhiệt cao, van DWS25-1C-10 phù hợp để lắp đặt vào các thiết bị cần điều khiển dòng hơi nước để hoạt động hiệu quả.
Các câu hỏi thường gặp đối với Van hơi nước nóng TPC DWS25-1C-10
1. Van DWS25-1C-10 có thể sử dụng cho loại chất lỏng nào?
Van DWS25-1C-10 được thiết kế để sử dụng với hơi nước, nước sạch và một số loại khí, phù hợp cho nhiều ứng dụng công nghiệp.
2. Nhiệt độ tối đa mà van có thể chịu được là bao nhiêu?
Van có thể hoạt động hiệu quả ở nhiệt độ tối đa lên đến 180°C.
3. Van này có tiêu thụ điện năng bao nhiêu?
Van DWS25-1C-10 có công suất tiêu thụ điện là 14W, giúp tiết kiệm năng lượng trong quá trình sử dụng.
4. Van có cấu tạo như thế nào?
Van được làm từ vật liệu đồng thau, có thiết kế nhỏ gọn và thân thiện với môi trường, với kiểu dáng 2/2 (2 cửa, 2 vị trí).
5. Van có thể hoạt động trong điều kiện nào?
Van có thể hoạt động trong các điều kiện công nghiệp khắc nghiệt, bao gồm cả môi trường có nhiệt độ cao và áp suất.
6. Có bảo vệ dây không?
Van DWS25-1C-10 có phiên bản với bảo vệ dây, giúp tăng cường độ bền và an toàn trong quá trình sử dụng.
7. Van có dễ dàng lắp đặt không?
Với thiết kế nhỏ gọn và kết nối ren tiêu chuẩn, van rất dễ dàng để lắp đặt trong các hệ thống tự động hóa.
Mua Van hơi nước nóng DWS25-1C-10 ở đâu uy tín?
3Rtech là nhà cung cấp uy tín các sản phẩm van khí nén điện từ đến từ những thương hiệu hàng đầu khu vực như Airtac, Parker, SMC, TPC, Sang-A, Autosigma.
Sản phẩm van điện từ đa dạng với chất lượng cao, đảm bảo sự hài lòng và an tâm cho khách hàng về độ bền sản phẩm cũng như dịch vụ chuyên nghiệp từ 3Rtech.
Đội ngũ nhân viên giàu kinh nghiệm, am hiểu sâu sắc về sản phẩm, luôn tâm huyết và tận tâm phục vụ khách hàng. 3Rtech cam kết mang đến sự hài lòng và xây dựng mối quan hệ hợp tác lâu dài với khách hàng trên khắp cả nước.
Liên hệ ngay chúng tôi để được tư vấn miễn phí.
Website: 3rtech.vn
Email: cskh.3rvietnam@gmail.com
Hotline: 0933 960 585






Review Van hơi nước nóng TPC DWS25-1C-10 2 cửa 2 vị trí, AC 100V
There are no reviews yet.